垂詢電話:15369173235



一、產品概述
ZJ系列耐磨耐腐壓濾機泵,過流部件可采用高鉻耐磨合金材質或鋼襯超高分子碳化硅陶瓷。其中高鉻合金材質是國內外渣漿泵主流材質,硬度高、耐磨性強的特點。鋼襯超高分子碳化硅陶瓷材質是目前國際上新一代的泵用耐腐耐磨陶瓷,其突出的優點是具有優異的耐磨性、耐沖擊性(尤其是耐低溫充擊)。抗蠕變性(耐環境應力開裂)和極好的耐腐蝕性。
該泵顯著特點是:多功能,即一種泵能適應各種不同的工況,如輸送酸、堿性清液或料漿;冶煉行業各種腐蝕性礦漿;硫酸行業各類稀酸;環保行業各類污水等。該泵既耐腐蝕又耐磨損,使用范圍十分廣泛。
該泵在鋅廠等三百多家大型有色治煉和硫酸企業的酸性礦漿和稀酸崗位的長期比較使用,其耐腐耐磨性、密封可靠性、使用壽命性,均得到了極高的評價。
二、結構特點
泵頭結構:泵體視需要采用雙層泵殼和單層泵殼
雙殼泵外殼結構為垂直中開式,出水口位置可按45º間隔,旋轉8個不同安裝使用
托架結構:水平中開式
懸架式
軸封形式:副葉輪動力密封+填料密封
填料密封
機械密封
傳動方式:直聯傳動(DC)
液力耦合器傳動(HC)
皮帶傳動(CR,CL,ZV,CV)
三、材料特點:金屬材料
以抗磨損為主的金屬材料 既抗磨損又耐腐蝕的金屬材料
以耐腐蝕為主的金屬材料 鋼襯超高分子碳化硅陶瓷
四、使用特點:效率高 壽命長 運行平穩
五、適用范圍
1 ) 硫酸磷肥業:稀酸、母液、污水、海水、含硅膠的氟硅酸,磷酸料漿等介質的輸送。
2 ) 有色金屬治煉業:特別適用于鉛、鋅、金、銀、銅、錳、鉆、稀土等濕法冶煉的各種酸液,腐蝕性礦漿,料漿(壓濾機配用)電解液,污水等介質輸送。
3 ) 化工及其它企業:各種硫酸、鹽酸、堿性、油類的清液或料漿崗位。鈦白粉、鐵紅粉生產,各種染料、顏料生產,非金屬礦產加工等行業。
4 ) 氯堿業:鹽酸、液堿、電解液等。
5 ) 水處理業:純水、高純水、污水(皮革污水、電鍍污水、電子污水、造紙污水、紡織污水、食品污水、生活污水、制藥業污水等等)。
6 ) 鋼鐵企業:酸洗系統的硫酸、鹽酸崗位、帶雜質的污水。
7 ) 濕式脫硫循環泵:能同時適用堿性、酸性、腐蝕性崗位。
8 ) 煤碳工業、煤化工中的腐蝕性液體、煤漿的輸送;洗選煤配用泵。
六、型號意義

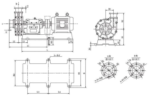
七、結構圖


八、性能參數


九、性能曲線



十、安裝尺寸圖





